RSM80 Handwheel Encoder | CNC Machine Tools OEM Replacement

Compact handwheel encoder for CNC repair. Traditional grating structure, wide voltage protection, black/silver oxide shells, universal hardware cover, and practical economical design.

Product  Model  And  Meaning

RSM80B10024F
Category of productOuter diameterProduct seriesResolution 25:25P/Rsupply voltageOutput form
handwheel80:79mmA: Black seriesB:Silver Series100:99P/R24:5-24VDC 12:5-12VDC 05:4VDCC:open collector output F:complementary outputL:4V drive output

Output  Phase  Difference

complementary output/NPN collector open circuit  output

1 (1)

long line drive output

1 (3)

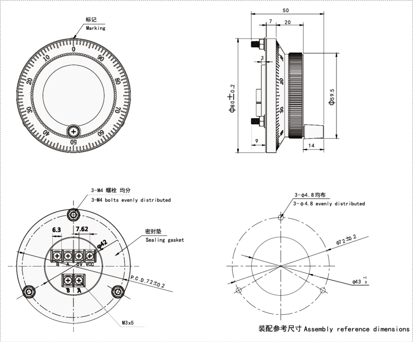
Mechanical Drawings(mm)

1 (2)

Chat on WhatsApp +86-15867770165 sales@sensyorcoder.com