GOS58B05 Rotary Encoder φ58mm | Semi-Automation OEM Factory

58mm industrial encoder for semi-automatic systems. Selectable shaft, reverse and short-circuit protections, 24V linear drive output enables long-distance 150m signal transmission.

Product  model  and  meaning

G0S5810F05500         L62M
Category of

product

Type of productForm of

main shaft

Contour of

product

Size of main  shaft,shaft holeOutlet and

sealing form

Outline

structure

ResolutionOutput formOutput signalCable
G:incremental

type

L:photoelec-

tricity

S:solid shaft58:φ58mm10:φ10mmF:Side outlet

plug

05:outline

structure 5

10,20,50,

60,100,

200,360,

400,500,

600,800,

1000,1024,

1200,2000,

2048,2500,

3000,3600,

5000

T:push pulloutput

L:5V drive output

A:24V drive output

1:phaseAsignal

2:phase ABsignal

3:phase ABZ signal

4:phase ABA/B/ signal

5:phase ABZA/B/Z/ signal

Default

2m

line,For

non 2m,

labeling is

sufficient

Wiring Table

Line colorToutput signalLine colorL/A output signal12 pin socket model
brownVCCrownVCC2.12
whiteGND10,11
whiteGND
greenA phase5
greenA phasegrayB phase8
blueZ phase3
grayB phase
yellowAphase6
blueZ phasepinkBphase1
redZphase4
shieldF ·G
shieldF ·GF ·G

Output Phase Difference

push pull output

1 (1)

longline drive output

1 (2)

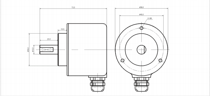
Mechanical Drawings(mm)

1 (3)

Chat on WhatsApp +86-15867770165 sales@sensyorcoder.com